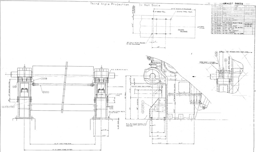
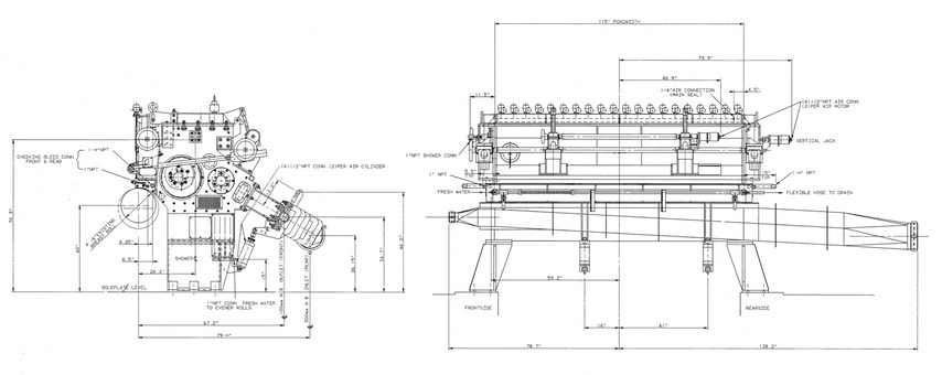
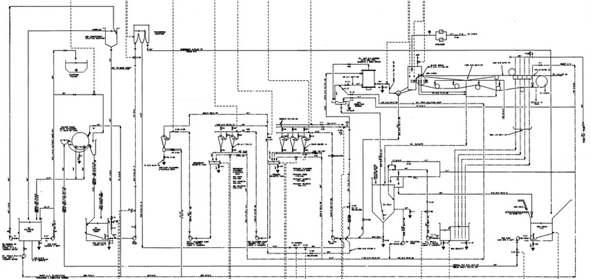
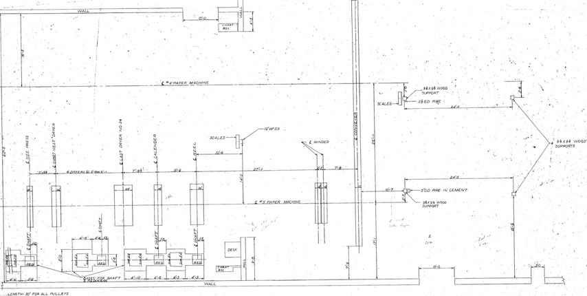
2,521mm PAPER MACHINE, KRAFT - LINER, 425 m/min @ 120GSM, Up to 200gsm
2,521mm PAPER MACHINE, KRAFT - LINER, 425 m/min @ 120GSM, Up to 200gsm
