SM0794: BOARD MACHINE COATED: 3,500mm trim, 380TPD 4 layer with on-machine airknife coating
PREPARATION EQUIPMENT
- LINER SYSTEM using White Office Waste Paper. Complete system Upgraded/rebuilt during first quarter 1990.
- No.2 Conveyor
Schmidt chain and rubber belt with HD polyethelene wear straps. Variable speed drive.
- No.2 Hydrapulper
Black Clawson, 5.49 m dia., 220 kW pulp 140 t/day, s/c 4%, 9.5 mm dia. holed screen plates. Agitation baffles added, and suction takeoff to Fiberiser. Heavy rejects deflector added. No ragger used.
Midcon rotor added
- Fiberiser
SEWR, Model F2T, holes 8 mm, s/c 4% 200kw 4 pole.
- Drumsorter
SEWR, holes 12 mm, s/c 2%
- Dump Chest
Stock soaking, 120 cu.m. with SEWR P1250L agitator, s/c 4.0%
- Liquid Cyclones
Black Clawson, 36.8 cm, 150 kPa pressure drop, 4250 l/min, s/c 3.5%, 148.75kg/min, 9tph
- Barrier Screen
SEWR, 1.4 mm dia holes, lobed rotor.
- Secondary Barrier Screen
SEWR, 1.4mm dia holes, lobed rotor.
- RejectSorter
SEWR, Model RS2B, rejects s/c >10%, holes 2.0 mm, 55 kW
- Primary High Consistency Screen
Thermo Black Clawson Model MZ200, 0.15 wedgewire slotted basket
- Secondary High Consistency Screen
Thermo black Clawson Model MMZ50, 0.15 wedgewire slotted basket
- Tertiary High Consistency Screen
Thermo Black Clawson Model MMZ50, 0.15 wedgewire slotted basket
- Primary Rejects Cleaners
2 SEWR DR1S2 centrifugal
- Tertiary Low Density Cleaners (Bypassed)
14 Beloit Uniflows
- Deflakers
Escher Wyss, Model E2K, s/c up to 6%, throughput quantity 800 1300 l/min, power consumption 80 150 kW, motor power 160 kW, max production 75 t/d.
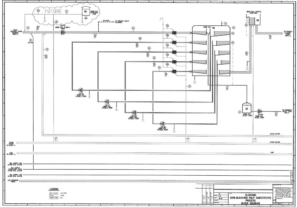
- Deinking Cell
Lamort Thermo Black Clawson – MACELL Model 5A.512
Five stages – Rejects to mill effluent fibre recovery system
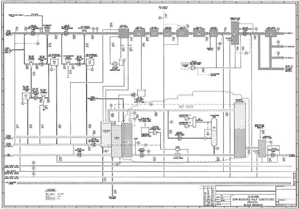
- Heavy Rejects Cleaners
Bauer, Model 606 T1, 3 stage;
Stage 1 6 x 4 per head
Stage 2 2 x 4 per head
Stage 3 1 x 4 per head
- Light Rejects Cleaners
Beloit Uniflow, 2 Stages Stage 1 90
Stage 2 10.
- Disc Filter
Voith Paper, Tranby, Norway
Model DF370 x 5/6 Bagless
- Disperser
Cellwood Machinery, Krima dispresing system, rate of 108 t/d, s/c 4%, consisting of: Screw press, Plug feeder, Shredder, Preheater, Disperser and High Consistency Pump.
- Storage Silo - Stock stored at 9 to 10%, Volume 320 Cubic Metres. Escher Wyss P800L Agitator fitted with primary dilution eyebrow.
- Bleach Tower – still in situ - no longer in process
24 cu.m, s/c 10%. Retention time 15 minutes.
- Fibrefractor – still in situ – no longer in process
SEWR, Model FF1, holes 1.6 mm
- Chest 3 – 66M3
- Sludge Press
Andritz, Model S.7E., 30 t/day
- #4 HYDRAPULPER using Virgin Pulp
- No.4 Hydrapulper
Black Clawson, 4.88 m dia., continuous, Vokes rotor, 9.5 mm holes in screen plates under rotor, 25 mm extraction holes (cover plates to reduce to 9.5 mm), 300 kW.
- Pulp Bale Dewiring Line
Metso Sweden – Throughput 30 to 290 bales per 24 hours. Bale size range Width 770 to 890mm – Length 630 to 850mm – Height 410 to 500mm, Weight 250 kg.
- FILLER SYSTEM (P2) using Industrial Wastepaper (OCC, limited quantities domestic waste paper). Complete system upgraded/rebuilt during second quarter 1987.
- No.1 Conveyor
Schmidt Rubber Belted, modified tail roll bearing, variable speed drive.
- No.1 Hydrapulper
Black Clawson, 5.49 m dia., continuous, 13 mm holes, 300 kW, gearbox model 3B.
Agitation baffles, suction takeoff to Fiberiser F2T (march 2009) and Heavy Rejects Deflector added.
D Chord baffle added
- Ragger
Black Clawson, ragger winch upgraded.. Rag cutter installed end 2008 – “jaws of life” style hydraulic cutter.
- Fiberiser
Voith, Model F2T, holes 10 mm, motor size 200 kW, s/c 4.08%, flowrate 1737 l/min.
- Drumsorter
SEWR, holes 10 mm, s/c 0.66%, flowrate 1538 l/min.
- Soak Tank
Capacity 320 m3, tank designed to "soak" stock,
SEWR P1250L Agitator, s/c 4.0%
- Protector System . Installed in 2008.
HiPro400-2.1S, Serial number 26798 manufactured in 2003.
Primary stage High density cleaners HiCC400-15A.B
Max pressure 4 bar, Max temp 70C, pH range 4 to 10
Pressure drop inlet/accepts 1.0 to 1.8 bar
Feed flow 4000 to 4800 lpm, Accepts pressure greater than equal to 0.4bar
Inlet stock consistency 2.5 to 4.0%
Sedimentation tank
Pressure of flushing water above target accepts pressure greater than 1 bar
Solid content of flushing water less than equal to 100ppm
Max feed consistency 1.5%
Volume of heavy rejects trap 50 litres
Secondary stage centrifugal cleaner KS250/6
Feed consistency less than equal to 2.0%
Other details same as Primary stage
- No.1 Primary Fibresorter
SEWR, Model FS4, holes 2.0 mm
- Primary Rejectsorter A and B
2x SEWR, Model RS3B, holes 2.4 mm (note: B Rejectsorter is ex-Tertiary Rejectsorter)
- Secondary Fibresorter
Voith Turboseperator ATS30
Fitted with 185Kw motor 4 pole
Screen plate hole size 2.4mm
Max throughput 240 tpd
Impellor speed 430 rpm.
- Primary High Consistency Screen
Bird SEWR, Model M400, Pressurised Omniscreen, 6 rows of 394 slots 38 mm long and 0.2 mm wide. Profile depth 1.17mm Open area 370cm2
- Secondary H.C. Screen
Bird SEWR, Model OS4-LR, Pressurized Omniscreen, 6 rows of 394 slots - 38 mm long and 0.2 mm wide. Profile depth 1.17mm Open area 370cm2. Modified to take same screem basket as Primary HC Screen above.
- Tertiary Low Density Screen
Voith MST04/03KR Serial number 26974 built 2003
Screen basket Cbar style 0.20mm slot
Motor 30kw 4pole
Rotor speed 990 rev
Accepts rate 1350 to 1400 lpm
Consistency 1.0%
Pressure drop 0.2 to 0.4 bar, max operating pressure 6 bar
- Fibrefractor
SEWR, Model FF4, holes 1.4 mm
- Long and Short Fibre Stock Tanks Capacity 250M3
Fibrefactor Stock Tank – 12.7M3 (Redundant in 2009.)
- FILLER SYSTEM long fibre fraction
- Centricleaners
Albia, 4 stages + deaeration light reject stage.
Stage 1 Model 500T 28, Stage 2 Model 500T 12,
Stage 3 Model 500T 4, Stage 4 Model 500T FRC 2, Deaeration Stage Model 500T DLR 2.
- Thickeners
4 in house design units, 915 mm dia., 3050 mm face, facing wire mesh 4/cm. Filtrate to LF FBW Tank.
- No.1 AD Plant
8 t/hr, Thune Screw Press SP70L and Preheater.
Krima
Cellwood Machinery, 60 kW/t power consumption, 300 kg/t steam consumption, capacity 300 t/d, disc clearance 0.20 mm, disc type C1629 Deviltooth, temperature 100 105 degrees Celsius. Consisting of: Screw press, Plug feeder, Shredder, Preheater, Disperser
- Chest 1A – 50M3
- FILLER SYSTEM short fibre fraction
- Centricleaners
Albia, 4 stages + deaeration light reject stage.
Stage 1 Model 500T 29, Stage 2 Model 500T 12,
Stage 3 Model 500T 4, Stage 4 Model 500T FRC 2, Deaeration Stage Model 500T DLR 2.
- Vario Split
SEWR, Model VA1 C2400, speed 400 800 l/min,
input s/c 0.4 1.3%, output s/c up to 10%, rubber overed central roll and lead rolls, rolls cleaned with doctors, 2 ½ layer wire forming fabric, dimensions 13200 mm x 3600 mm.
- Purgomat –
SEWR, Flotation Clarifier, 13 m dia, total feed 10000 l/min; recirculated 5000 l/min.
Used to removed wax, oil and cleaner rejects from the Filler System back-water.
- No.2 AD Plant
8 t/hr, Thune Screw Press SP70L and Preheater.
- Krima
Cellwood Machinery, 60 kW/t power consumption, 300 kg/t steam consumption, capacity 300 t/d, disc clearance 0.20 mm, disc type C1629 Deviltooth, temperature 100 105 degrees Celsius. Consisting of: Screw press, Plug feeder, Shredder, Preheater, Disperser
- Chest 2A – 50M3
- No.3 HYDRAPULPER
Black Clawson, 5.49 m dia, can be operated by either automatic or manual control, 20 mm extraction holes, standard Black Clawson rotor with Midcon cone, 300 kW.
Used for:
* Clean furnish in Starcote laminating, Artcote Grey
* Filler in Artcote White .
- Chest 4 – 66M3
- Chest 3A – 60M3 (80% full)
- BROKE
Sydrapulper Broke Slusher single rotor, 1270 mm dia,
320 rpm, 300 kW, 12 t/hr
Broke Chest 370 m3 capacity, 12.2T at 3.3% s/c, 30T at 8% s/c,
Beloit Jones Side mounted agitator 42” dia, 3 blade, 55kw.
SS Eye brow with primary and secondary dilution system .
6xHydradensers over the broke chest.
Dry End Pulper – – Collecting dry broke from Finishing Room, then pumping to Hog Pit at wet end.
Tub SS316 – Mill design – 11.3M3
Beloit Jones Shark series 4000 pulper unit – 185kw
Pump – PWO 8x4x17 75kw
Grundfos sump pump SEV.100.100.40.4.50B 4kw
Conveyor flat bed rubber belt
REJECTS HANDLING SYSTEM
Rejects Drum Screen
Sure Screen, small rotating drum screen approx. 2 m long x 1.2 m dia. Reject input from:
* SBPS Primary Reject Cleaners
* SBPS Tertiary Low Density Screen
* Filler Protector System
The thickened material from the screen goes to the Light Rejects Conveyor No.1 for transfer to the Compactor.
Light Rejects Conveyor
Open trough S.S., Screw Conveyor, approx.14 m length. The conveyor collects rejects from the Rejects Drum Screen, Filler Rejectsorters and SBPS Rejectsorter. Material is taken to the Screw Compactor.
Screw Compactor
Kufferath, Type Akupress A500. Materials for compaction are from the Light Rejects Conveyor, and directly from the SBPS and Filler Drumsorters (light rejects). Compacted material goes direct to stockpile. Filtrate to effluent.
Wet Rejects Conveyor
In house design Conveyor belt endless woven S.S. wire. Belt bolted to cross rates and chain driven. Inclined at 15 deg. Reject input from:
* SBPS No.2 Pulper heavy rejects.
* SBPS F2T heavy rejects
* SBPS Drumsorter heavy rejects.
* Filler No.1 Pulper heavy rejects
* Filler No.1 Pulper Cropped Rag
* Filler F1T heavy rejects
* Filler Drumsorter heavy rejects
Material taken to external stockpile. Stockpile capacity 45 m3. Filtrate to effluent.
PREPARATION CONTROL SYSTEM
Honeywell TotalPlant Alcont DCS (Install Date 1999) – 2 Processor Modules, 1 Profibus Field Controller (Install Date 2012), 1 Interbus Field Controller, Phoenix Interbus Field I/O (Install Date 2001) and Siemens ET200M Field I/O (Install Date 2012). Total I/O Count 1300 Inputs, 1000 Outputs
Operator Interface – 4x Honeywell Totalplant Alcont Graphical User Stations (Purchase Date 2010)
REFINING EQUIPMENT
LINER SYSTEM
for all grades .
Jones Refiner No.1
Jones doubledisk, Series 3000, 860 mm dia, 447 kW,
490 rpm, duoflo operation.
Plates – GMW 2-2-4 pattern, 17-4 material
FILLER SYSTEM
for Artcote Grey and Starcote Laminating.
Long Fibre
Jones Refiner No.2 Jones doubledisk, Series 3000,
860 mm dia, 450 kW, 585 rpm, duoflo operation.
Plates – Metso 2-2-4 pattern, 17-4 material
Jones Refiners 1 and 2 were relocated in 1987.
FILLER SYSTEM
for Artcote White .
Jones Refiner No.5
Jones doubledisk, Series 4000, 860 mm dia, 760 kW,
490 rpm, duoflo operation.
Plates – Metso 2-2-4 pattern, 17-4 material
Jones Refiner No.4
Jones doubledisk, Series 4000, 860 mm dia, 760 kW,
490 rpm, duoflo operation.
Plates – Metso 2-2-4 pattern, 17-4 material
Jones Refiner No.3 (parallel with 5 & 4)
Jones doubledisk, Series 4000, 860 mm dia, 760 kW,
490 rpm, duoflo operation.
Plates – Metso 2-2-4 pattern, 17-4 material
Jones Refiners 3, 4, and 5 were installed in 1987.
REFINER CONTROL SYSTEM
Honeywell TotalPlant Alcont DCS (Install Date 1999) – 1 Processor Module, 1 Interbus Field Controller, Phoenix Interbus Field I/O(Install Date 2001). Total I/O Count 750 Inputs, 500 Outputs
Operator Interface – 2x Honeywell Totalplant Alcont Graphical User Stations. (Purchase Date 2010)
WET END EQUIPMENT
Complete wet end of machine and associated services upgraded/rebuilt during first quarter 2004.
All equipment supplied by Voith Paper – Sao Paulo, Brazil (unless noted otherwise)
DESIGN DATA
Production
4 ply White lined Cartonboard180--480 gsm – Uncoated
200-467 gsm – Coated
Coating application 22-40 gsm topside, 10-16 gsm filler side
Machine speeds
Working speed180 -410 mpm
Maximum operation speed500 mpm
Design speed600 mpm
Mechanical driving speed range180 – 450 mpm
Balancing speed of rolls600 mpm
Driving sideOn right hand side in direction of board run
Scheme concerning sheet widths
Trim after winder3500mm
Untrimmed board width at Reeler3550mm
CD shrinkage110mm
Board width after spraying off edge 3660mm
Pond width at headboxes3860mm
Wire width4060mm
WET END
Headboxes – top, undertop and back plies
MasterJet- F/B type – High turbulence headbox with pulsation dampener, with lateral inflow into one header, turbulence tube bank, vertically adjustable top lip beam, horizontal adjustable bottom lip and adjusting gears for for the slice blade deflection with micro jacks. Material SS316L.
Pond width 3860mm
Rod spacing 100mm
Number of rods 38
Stock flow to wire Top ply22543 lpm – max
11365 lpm – min
Undertop ply 18419 lpm – max
18346 lpm – min
Back ply 18078 lpm – max
13871 lpm – min
Headbox – Middle ply
MasterJet- F/B with ModuleJet type – High turbulence headbox with pulsation dampener, with lateral inflow into two headers, Modulejet units, distributor block, stilling chamber, turbulence tube bank, vertically adjustable top lip beam, horizontal adjustable bottom lip and adjusting gears for the slice blade deflection with micro jacks. Material SS316L.
Pond width 3860mm
Rod spacing 200mm
Number of rods 19
Stock flow to wire34774 lpm – max
26675 lpm – min
Wire Section
Fourdrinnier – Top ply
‘C’ frame type, suitable for synthetic wires only. Wire width 4060mm, tension 7kN/m
Centreline Breast roll to Couch roll – 35600mm
Comprising:
Rolls;
Breast roll - 614mm dia 4210mm lg – rubber covered 7mm thick on steel shell ASTMA278.
Forward drive roll - 620mm dia 4210 lg – rubber covered 10mm on steel shell ASTMA278.
Couch roll - 1158mm dia 4150mm lg – Metso Paper supply 2003
Wire roll - 614mm dia 4210mm lg – hard rubber covered 7mm thick on steel shell ASTMA278.
Wire rolls - 414mm dia 4210mm lg – hard rubber covered 7mm thick on steel shell ASTMA278
Drainage elements;
Forming board open type – 1st strip with clamp, 2nd to 4th strip T bar, all UHMWPE, body SS316L
Hydrofoil box (1) with 7 strips UHMWPE
Stepfoil boxes (2) with siphon and adjustable support, 11 strips UHMWPE, body SS316L
Transfer flat suction boxes (4) with cover in Al-oxide, body SS316L
Two chamber flat suction box (1) with cover in Al-oxide, body SS316L
Three chamber flat suction box (1) with cover in Al-oxide, body SS316L
Single foils (8) strip UHMWPE
Showers;
Travelling squirt (1)
Breast roll shower (1)
Knock-off shower (1)
Low pressure showers (12)
High pressure shower (2) EMO 3 Type SP
Deckle jet (trim squirt) showers (4) – Gatewood ruby nozzles
Edge knock off showers (2)
Wire edge cleaning showers (2)
Chemical shower (1) with internal brush cleaning
Edge cleaners (2)
Doctors
Breast roll doctor (1) with electric motor oscillator
Wire roll doctors inboard pan type (6) with electric motor oscillator
Wire roll doctors outboard box type (6) with electric motor oscillator
Couch roll double doctor DST type with electric motor oscillator
Framing
All framing, cantilever and reaction beams of steel S235JRG2 plate material welded construction all clad with SS316L sheetmetal fully seal welded.
Intermediate spacers of aluminium alloy GALSi-10
Tie rods of steel S235JRG2
Saveall pans, trays and outlets SS316L
Water piping SS316L
Walkways SS316L and anodised aluminium alloy GALSi-10
Fourdrinnier – Undertop ply
‘C’ frame type, suitable for synthetic wires only. Wire width 4060mm, tension 7kN/m
Centreline Breast roll to Reversing roll – 13000mm
Comprising:
Rolls;
Breast roll - 614mm dia 4210mm lg – rubber covered 7mm thick on steel shell ASTMA278.
Drive and Turning rolls - 620mm dia 4210 lg – rubber covered 10mm on steel shell ASTMA278.
Wire rolls - 414mm dia 4210mm lg – hard rubber covered 7mm thick on steel shell ASTMA278
Drainage elements;
Forming board open type – 1st strip with clamp, 2nd to 4th strip T bar, all UHMWPE, body SS316L
Hydrofoil box (1) with 7 strips UHMWPE
Stepfoil boxes (2) with siphon and adjustable support, 11 strips UHMWPE, body SS316L
Vacuum foil box with siphon and adjustable support, 11 strips UHMWPE, body SS316L
Flat suction box (1) with cover in Al-oxide, body SS316L
Showers;
Breast roll shower (1)
Low pressure showers (6)
High pressure shower (1) EMO 3 Type SP
Wire edge cleaning showers (2) , Chemical shower (1) with internal brush cleaning
Doctors
Breast roll doctor (1) with electric motor oscillator
Turning roll doctor (2) with electric motor oscillator
Wire roll doctors inboard pan type (2) with electric motor oscillator
Wire roll doctors outboard box type (2) with electric motor oscillator
Framing
All framing, cantilever and reaction beams of steel S235JRG2 plate material welded construction all clad with SS316L sheetmetal fully seal welded.
Intermediate spacers of aluminium alloy GALSi-10. Tie rods of steel S235JRG2
Saveall pans, trays and outlets SS316L
Water piping SS316L
Walkways SS316L and anodised aluminium alloy GALSi-10
Duoformer DC – Undertop ply
Rigid frame pivot at drive side for fabric change.
Wire width max 4120mm, max wire stretch 1.5%, tension 7.0 kN/m
Rolls
Wire roll 414mm dia 4120mm long, hard rubber covered 7mm thick on steel shell of ASTMA278
Drive roll 620mm dia 4210mm long, rubber covered 10mm thick on steel shell of ASTMA278
Wire roll 614mm dia 4210mm long, hard rubber covered 7mm thick on steel shell of ASTMA278
Dewatering elements
Top wire suction box with sealing with three (3) suction zones all SS316L. Cover strips of Aluminium oxide
Formation box for bottom wire with (7) aluminium oxide cover strips
Wire cleaning suction box with (1) aluminium oxide cover strip
Transfer suction box with aluminium oxide cover
Showers
Low pressure showers (3)
High pressure shower (1) EMO 3 Type SP
Wire edge cleaning showers (2)
Chemical shower (1) with internal brush cleaning
Lube shower (2) for dewatering elements
Doctors
Wire roll doctors inboard pan type (1) with electric motor oscillator
Wire roll doctors outboard box type (2) with electric motor oscillator
Framing
All framing beams of steel S235JRG2 plate material welded construction all clad with SS316L sheetmetal fully seal welded.
Saveall pans, trays and outlets SS316L
Water piping SS316L. Walkways SS316L and anodised aluminium alloy GALSi-10
Fourdrinnier – Middle ply
‘C’ frame type, suitable for synthetic wires only. Wire width 4090mm, tension 7kN/m
Centreline Breast roll to Reversing roll – 13500mm
Rolls;
Breast roll - 614mm dia 4210mm lg – rubber covered 7mm thick on steel shell ASTMA278.
Drive roll - 620mm dia 4210mm lg – rubber covered 10mm on steel shell ASTMA278.
Wire rolls - 414mm dia 4210mm lg – hard rubber covered 7mm thick on steel shell ASTMA278
Combining roll - 800mm dia 4210mm lg – Cover is fabric wire, shell of ss plate ASTMA240, heads of ASTMA216. Honeycomb of SS, fabric wire synthetic and end faces of ss316.
Drainage elements;
Forming board open type – 1st strip with clamp, 2nd to 5th strip T bar, all UHMWPE, body SS316L
Hydrofoil box (1) with 7 strips UHMWPE
Stepfoil boxes (4) with siphon and adjustable support, 11 strips UHMWPE, body SS316L
Vacuum foil box (2) with siphon and adjustable support, 10 strips Al-oxide, body SS316L
Flat suction box (1) with cover in Al-oxide, body SS316L
Transfer flat suction box (1) with cover in Al-oxide, body SS316L
Showers;
Breast roll shower (1)
Low pressure showers (5)
High pressure shower (1) EMO 3 Type SP
High pressure shower (2) EMO 3 standard
Wire edge cleaning showers (2)
Chemical shower (1) with internal brush cleaning. Starch spray bar (Amcor – type)
Doctors
Breast roll doctor (1) with electric motor oscillator
Turning roll doctor (2) with electric motor oscillator
Wire roll doctors inboard pan type (2) with electric motor oscillator
Wire roll doctors outboard box type (2) with electric motor oscillator
Framing
All framing, cantilever and reaction beams of steel S235JRG2 plate material welded construction all clad with SS316L sheetmetal fully seal welded.
Intermediate spacers of aluminium alloy GALSi-10. Tie rods of steel S235JRG2
Saveall pans, trays and outlets SS316L
Water piping SS316L. Walkways SS316L and anodised aluminium alloy GALSi-10
Duoformer DC – Middle ply
Rigid frame pivot at drive side for fabric change.
Wire width max 4120mm, max wire stretch 1.5%, tension 7.0 kN/m
Rolls
Wire roll 414mm dia 4120mm long, hard rubber covered 7mm thick on steel shell of ASTMA278
Drive roll 620mm dia 4210mm long, rubber covered 10mm thick on steel shell of ASTMA278
Wire roll 614mm dia 4210mm long, hard rubber covered 7mm thick on steel shell of ASTMA278
Dewatering elements
Top wire suction box with sealing with three (3) suction zones all SS316L. Cover strips of Aluminium oxide
Formation box for bottom wire with (7) aluminium oxide cover strips
Wire cleaning suction box with (1) aluminium oxide cover strip
Transfer suction box with aluminium oxide cover
Showers
Low pressure showers (3). High pressure shower (1) EMO 3 Type SP. Wire edge cleaning shower (2)
Chemical shower (1) with internal brush cleaning.Lube shower (2) for dewatering elements
Doctors
Wire roll doctors inboard pan type (1) with electric motor oscillator
Wire roll doctors outboard box type (2) with electric motor oscillator
Framing
All framing beams of steel S235JRG2 plate material welded construction all clad with SS316L sheetmetal fully seal welded.
Saveall pans, trays and outlets SS316L. Water piping SS316L. Walkways SS316L and anodised aluminium alloy GALSi-10
Fourdrinnier – Back ply
‘C’ frame type, suitable for synthetic wires only. Wire width 4090mm, tension 7kN/m
Centreline Breast roll to Reversing roll – 7000mm
Rolls;
Breast roll - 614mm dia 4210mm lg – rubber covered 7mm thick on steel shell ASTMA278.
Drive roll - 620mm dia 4210mm lg – rubber covered 10mm on steel shell ASTMA278.
Wire rolls - 414mm dia 4210mm lg – hard rubber covered 7mm thick on steel shell ASTMA278
Combining roll - 800mm dia 4210mm lg – Cover is fabric wire, shell of ss plate ASTMA240, heads of ASTMA216. Honeycomb of SS, fabric wire synthetic and end faces of ss316.
Drainage elements;
Forming board open type – 1st strip with clamp, 2nd to 5th strip T bar, all UHMWPE, body SS316L
Hydrofoil box (1) with 5 strips UHMWPE
Stepfoil boxes (2) with siphon and adjustable support, 11 strips UHMWPE, body SS316L
Vacuum foil box (1) with siphon and adjustable support, 6 strips Al-oxide, body SS316L
Flat suction box (1) with cover in Al-oxide, body SS316L
Showers;
Breast roll shower (1)
Low pressure showers (4)
High pressure shower (1) EMO 3 Type SP
High pressure shower (1) EMO 3 standard
Wire edge cleaning showers (2)
Chemical shower (1) with internal brush cleaning. Starch spray bar (1)(Amcor – type)
Doctors
Breast roll doctor (1) with electric motor oscillator
Turning roll doctor (2) with electric motor oscillator
Wire roll doctors inboard pan type (2) with electric motor oscillator
Wire roll doctors outboard box type (2) with electric motor oscillator
Framing
All framing, cantilever and reaction beams of steel S235JRG2 plate material welded construction all clad with SS316L sheetmetal fully seal welded.
Intermediate spacers of aluminium alloy GALSi-10. Tie rods of steel S235JRG2
Saveall pans, trays and outlets SS316L
Water piping SS316L. Walkways SS316L and anodised aluminium alloy GALSi-10
STOCK BLENDING and APPROACH FLOW
TOP PLY
Process flow
Machine chest 10 direct to level box to Alhstrom Fan pump to Voith MSS 10/10 pressure screen to machine (flow) headbox.
Equipment
Alhstrom Fan Pump type ZRR-40.
Voith MSS 10/10 Screen has 0.35mm ‘C’ bar wedge wire basket, 55kw motor, rotor speed 246 rpm.
UNDERTOP PLY
Process flow
Machine chests (depending of grade etc) 11,12 or 13 to distribution headers to Blend Chest (12M3) to Voith Fan Pump to Voith MSS 10/10 pressure screen to machine (flow) headbox.
Equipment
Blend Chest 12M3 fitted with Voith Agitator Type 850 MAC and Voith Centrifugal pump type L15/20
Voith Fan Pump type DK40/60
Voith MSS 10/10 Screen has 0.45mm ‘C’ bar wedge wire basket, 55kw motor, rotor speed 246 rpm.
MIDDLE PLY
Process flow
Machine chests (depending of grade etc) 11,12 or 13 to distribution headers to Blend Chest (20M3) to Voith Fan Pump to Primary Screen Voith MSS 10/10 screen to machine (flow) headbox. Primary screen rejects direct to Secondary screen Bird Centriscreen size 10A, Secondary Screen rejects to reject tank to Tertiary screen Voith Minisorter 05/05KR.
Equipment
Blend Chest 20M3 fitted with Voith Agitator Type 850 MAC and Voith Centrifugal pump type L20/25
Voith Fan Pump type DK40/60
Primary Voith MSS 10/10 pressure screen to machine (flow) headbox. 0.35 mm ‘C’ bar wedge wire basket, 55KW motor, rotor speed 246rpm. Installed December 2008.
Secondary Bird centrisceen 10A. Screen has 0.45mm ‘C’ bar wedge wire basket.
Tertiary screen Voith Minisorter 05/05KR has 0.45mm “C” bar wedge wire basket.
BACK PLY
Process flow
Machine chests (depending of grade etc) 11,12 or 13 to distribution headers to Blend Chest (12M3) to Voith Fan Pump to Voith MSS 10/10 pressure screen to machine (flow) headbox.
Equipment
Blend Chest 12M3 fitted with Voith Agitator Type 850 MAC and Voith Centrifugal pump type L15/20
Voith Fan Pump type DK40/60
Voith MSS 10/10 Screen has 0.45mm ‘C’ bar wedge wire basket, 55kw motor, rotor speed 246 rpm.
MACHINE SHOWER WATER SYSTEM
System is divided into various pressure and temperature ratings.
Cold water system process flow.
The cold water tank receives clear filtrate water from the Machine Diskfilter (ex-FBW Chest) and Vacuum seal water via the Gravity Strainer (Meri) and City water from the machine air compressor cooling water discharge. Also a manual make-up from the LP Fresh header. The tank pump supplies the 3,5,12 and 30bar pumps
Equipment –
Meri Strainer Type CT100,
Cold water tank 12M3,
Cold water tank pump (P24) Sulzer APP42-150 3 bar.
The 3 and 5 bar booster pumps also supply water to the machine wet end and press 3 bar spray system.
The 12 bar pump supplies water to the machine wet end 12 bar spray system.
The 30 bar pump supplies water to the machine wet end and press 30 bar spray system.
Equipment –
3 bar Booster pump (P19) Voith GIV L25s
5 bar pump (P20) Sulzer APP22-65
12 bar pump (P22) Sulzer APP21-80
30 bar pumps (P21.1, 21.2) Ritz 4910
LP Fresh and HP Fresh systems flow
LPF is supplied from the header to the 50bar pump which supplies water to the machine wet end spray water system.
Equipment -
50 bar pump (Fuse H8-1) Boiler feed pump
Jones Polydisk Filter, 7 disks x 10 ft diameter. Capacity 8,000lpm @ 0.6% consistency. Feedwater from FBW chest . Cloudy water is discharged to the warm water tank. Clear water is discharged to cold water tank. Recovered fines are discharged to chest 12.
Machine deckle spray system flow
City water is supplied to a 1M3 tank then pumped via filters to the spray nozzles adjacent to the couch roll.
Equipment -
Tank 1M3 volume
30 bar pumps (P23.1 and 23.2) Hydrocell D10/G10x.
MACHINE STEAM SYSTEM
In revision
MACHINE AIR SYSTEM
To be added
HIGH VACCUM SYSTEM
Process is divided servicing the wet end and press sections and is fully integrated into the new wet end. All systems have on machine separators.
A by-pass header allows interconnection to all pumps.
Air discharge from all vacuum pumps is via infloor north and south troughs then discharging to atmosphere via exhaust stacks.
Wet end equipment- north trough
Couch roll vacuum pump – Voith 15E
Middle and Undertop ply vacuum boxes – Voith 14E
Top ply hi vac boxes – Nash CL6002
Transfer boxes – Somarakis 3028.
Press Equipment – south trough
1st press top roll – Voith 14E
1st press bottom roll – Nash CL6002
Combination roll – Nash CL6002
1st press top felt – Nash CL6002
1st press bottom felt – Nash CL6002
4th press top felt – Nash CL6002
LOW VACUUM SYSTEM
Process is divided, servicing the various elements of the wet end. All systems have on machine separators
Air discharge from all Fans is to atmosphere via individual exhaust stacks.
Equipment –
Back ply suction foil boxes – Howden Fan R1-45 OW SE/8 SAH-AV
Middle ply double wet suction box – Howden fan R1-55 OW SE/8 SAH-AV
Middle ply Duo former skimmer– Howden Fan R1-50 OW SE/8 SAH-AV
Middle/Undertop ply Duoformers wire cleaning – Sturtevant Fans – Duty and Stand-by
Undertop ply suction foil boxes – Howden Fan R1-45 OW SE/8 SAH-AV
Undertop ply Duoformer skimmer - Howden Fan R1-50 OW SE/8 SAH-AV
Top ply suction foil boxes - Howden Fan R1-45 OW SE/8 SAH-AV
STARCH INTERPLY SYSTEM
Process – starch slurry is delivered at 40% solids and stored on a 60M3 tank with mixer. Starch is diluted with City Water to 3% and pumped to a storage tank. From this position it is pumped to a three station flow control manifold for delivery to the three interply spray bars. The spray bars are located at Undertop to middle ply, Combined Undertop/middle to Top ply and Back ply to middle ply. Flow balance includes recirculation to the 3% tank.
Equipment -
40% - 60M3 Starch slurry storage tank with Sardick top mount vertical agitator.
40% - Starch pumps No1 and No2 – Mono type SB041AC1R5/G
3% - 30M3 Starch slurry storage tank with Sardick side mount horizontal agitator.
3% - Starch pumps No1 and No2 – Mono type SB082AC1R5/G
WETEND AND CHEMICAL CONTROL SYSTEMS
Honeywell TotalPlant Alcont DCS (Install Date 2004) – 2 Processor Modules, 1 Profibus Field Controller, GE Fanuc Field I/O. Total I/O Count 1300 Inputs, 800 Outputs
Operator Interface – 2x OIM Operator Interface Modules and 2x Honeywell Totalplant Alcont Graphical User Stations. (Install date 2010)
Voith Profilmatic System on Middle Ply Headbox – Consisting of 54 Modulejet Actuators for Basis Weight Dilution Control and 2x Voith Control and Operator Input Computers (Operating System QNIX) (Install date 2004 Hardware updated in 2010)
WET END MACHINE DRIVES
Drive speed max 500mpm and designed for 24 hour continuous operation
Mechanical;
Antifriction bearings to DIN-ISO 281.1-1979 (L10) of 100,000 hour operation.
Gearboxes (speed reducers) are Flender SF types H2PH9,H1SH9,H2PH5,H2PH7,H2SH4,B2SH6.
Motor/gearbox input coupling Flender NEN type
Gearbox/Cardan shaft output coupling Flender NEN type
Cardan shafts – Voith Turbo with counter flanges to match couplings.
Electrical;
ABB – (Install Date 2004) AC Digital Drive, PM Concept 200 Sectional drives.
Voltage 690AC, Frequency 50Hz
Incoming section ACA 631-2600-61 2600kVA, 690V, 2178A, 2400kW
Drive sections (2) ACA 610-0070-61 70kVA, 65A,
(10) ACA-610-0185-61 180kVA, 149A,
(4) ACA-610-0315-61 310kVA, 264A,
(1) ACA-610-0485-61 490kVA, 410A
Motors(2) M3BP225SMC4 55KW,
(3) M3BP280SMC4 110KW,
(7) M3BP315SMC4 160KW,
(4) M3BP355SMC6 250KW,
(1) M2BA400LKA8 315KW.
Honeywell TotalPlant Alcont DCS (Install Date 2004) – 1 Processor Modules, 3 Interbus Field Controllers, Phoenix Interbus Field I/O.
Operator Interface – 1x Honeywell Totalplant Alcont Graphical User Stations. (Install Date 2010)
PRESS SECTION.
Complete press section and pre dryer sections (1stth tp 6 dryer sections) of machine and associated services upgraded/rebuilt during second quarter 1974.
The press section comprises :
Blind Drilled Suction Roll First Press, max. nip load 54.3 kN/m.
Combined 2nd and 3rd Press (Beloit "BiNip") consisting of centre suction roll, Ventanip second press roll and ControlledCrown plain third press roll. Both max. nip load 87.5 kN/m.
Valmet - Tampella Fourth Press - top venta-nip and bottom microrok rolls. Maximum nip load 170 kN/m ( 971 pli).
ROLLS

FELTS - REVISION reqd – Check Andrew
* Top (1st & 2nd/3rd Press) 21.63 m x 3.85 m – Voith Multiflex Seam 3 1825gsm
* Bottom (1st & 2nd Press)19.7 m x 3.85 m - Voith Multiflex Seam 3 1825gsm
* Fourth Press 15.44 m x 3.85 m – Voith Multiflex Seam 3 1825gsm
FELT CONDITIONING -
3 Huyck Felt suction units. (One for each felt loop). The felt suction boxes are fitted with 2 slotted 12 mm width aluminium oxide cover.
HP sprays EMO 3 type, Lube showers
PRESS SECTION MACHINE DRIVES
3x ABB DCS600 520A Drives, with Control Techniques FXM5 Field Controllers, 7x Harland DC Motors with Machine Control via Interbus to Honeywell DCS (Install Date 2002)
DRYERS
A total of 83 dryers comprising of in order through the machine:

The dryer section is fitted with VIB moisturiser shower (VIB Airtech Classic, installed in 2007). Beam working width 3,500 mm.
The moisturiser shower is fitted with 72 nozzles (2 rows of 36 nozzles each). Water flow 50 litres/min @ 40-70 degrees C.
DRYER SECTION MACHINE DRIVES
6x ABB DCS600 520A Drives, 6x Harland DC Motors with Machine Control via Interbus to Honeywell DCS
Honeywell TotalPlant Alcont Drives Control System – 1 Processor Modules, 1 Interbus Field Controller, Phoenix Interbus Field I/O (Install Date 2001)
COATING SECTION.
Complete coating section of machine and associated services upgraded/rebuilt during first quarter 1994.
Three top coaters and Backside Coater located between hard nip calender and second soft calender, comprising of in order:
* Two Roll Hard Nip calender (Measurex Calcoil unit fitted on bottom roll
* First Autoblade Coating Station - Valmet (Precoater), Gas Infrared Dryer, Air Dryer
* Turning Cylinder (Cooling)
* No.1 Soft Calender
* Air Knife Coater - BMB, with metering bar, Two Gas Infrared Dryers, Three Air Dryers
* Turning Cylinder (Heating)
* Four Drying Cylinders
* Second Autoblade Coating station - Valmet (Backside Coater), Gas Infrared Dryer, Two Air Dryers
* Third Autoblade Coating Station - Valmet (Topside Coater), Gas Infrared Dryer, Two Air Dryers
* Turning Cylinder (Heating)
* Four Cooling Cylinders
* No.2 Soft Calender
CALENDERS (SINGLE NIP)

HARD NIP CALENDER (SINGLE NIP)
Two roll single nip calender, fitted with Measurex Calcoil unit on the bottom rigid roll with variable camber. Two rolls from the previous Wet Stack Calenders have been used. The top roll is the Swimming roll from previous the Wet Stack Calender.

REEL
* Beloit pneumatic reeler (driven)
* Max. Machine roll diameter 2440 mm
MAXIMUM DECKLE
* Offmachine 3550mm, trimmed 3500 mm
OPERATING SPEED RANGE
* 150 to 410 m/min
AVERAGE NET PRODUCTION from board machine 21.0 tonnes per hour
COATER SECTION MACHINE DRIVES
10x Harland Simon PC5B DC Drives (Install Date 19080’s), 20x Mentor II DC Drives (Install Date 2004), 48x 3kW Sectional AC Drives Control System (Install Date 2004) via hardwired Field Control Panels.
COATER CONTROL SYSTEM
Machine Control System – Siemens S5-155u with Coros LSA Operator Interface (Install Date 2004)
Scada System Honeywell TotalPlant Alcont – 1 Processor Module, 1 Profibus Field Controller, Siemens ET200M Field I/O. (Install Date 2005)
GE Fanuc 90/70 and Citect Coating Recipe Batching System. (Install Date 1998)
Operator Interface – 2x Honeywell Totalplant Alcont Graphical User Stations. (Install Date 2010)
FINISHING
PRIMARY WINDER
* Make: Beloit
* Type: Series 1100 Twin Drum Underfeed
* Year of Manufacture: 1973.
* Max trimmed width: 3470 mm
* Max operating speed: 1100 m/min
* Max parent reel dia.: 2660 mm
* Max rewound roll dia.: 1830 mm
* Min rolll width: 280 mm
* Cores: 76 mm, 101 mm, 305 mm
* Drive: Harland Twin D.C. motors
* Unwind brake generator with pneumatically operated disc brake.
Drives, Safety and Automation systems upgraded in 2007
Digital drive – Control Techniques Mentor II DC Drives
Slitters – Mario Cotter (8 box capability)
Trim collection – HVAC fan added
Category 4 Safety system – Jokab Pluto and Siemens S7-300 Safety PLC
Tension control – ABB load cells
Control system - Control Techniques SyptPro
Operator Interface – Proface GP3000 Series Touchscreens
REWINDER
* Make: British (modified) – Relocated 2008
* Type: Twin drum, overfeed
* Max trimmed width: 3200 mm (winder, 2900 mm unwind)
* Max operating speed: 600 m/min
* Max parent roll dia.: 1850 mm
* Max rewound roll dia.: 1530 mm
* Min roll width: 50 mm
* Cores: 76 mm, 101 mm, 305 mm
* Drive: Varable speed (Drives and Automation upgraded in 2008)
* Unwind backstand – Jagenburg (ex Synchro then ex Synvert)
* Unwind brake: pneumatically operated shoes on water cooled drum.
Slitters – Mario Cotter (21 slitters, 50mm plus ribbon width)
Digital drive – Control Techniques Mentor II DC Drives
Trim Collection – modified to a new arrangement
Drive hand changed to RHS
Unit relocated July/August 2008
Reel discharge table – Brisford
Category 4 Safety system – Jokab Pluto and Siemens S7-300 Safety PLC
Control system – Control Techniques SyptPro
Operator Interface – Proface GP3000 Series Touchscreens
REEL WRAPPER
Make: FIS Impianti, Italy
Type: Dual 98 stretchwrap
Capacity – design 30 rolls per hour, 400mm to 2800 width, 1020mm to 1830mm diameter.
Includes combination slat feed conveyors from Primary Winder and Rewinder
Upender and discharge conveyor
Machine Control via Siemens S7-300 PLC
ABB ACS350 and 355 AC Drives
Allen Bradley Guardmaster Safety relays Machine safety system
Operator Interface via Siemens MP277- WinCC Panel
Installed 2007/8
PRIMARY SHEETER
* Make: Jagenberg
* Model: 45D
* Year of Manufacture: 1986
* Type: Duplex, double rotary (Synchro length #1 1193mm, #2 723mm
* Max trimmed width: 3800 mm
* Min slit width: 340 mm
* Sheet length: max 1800 mm, min 500 mm
* Max speed: 180 m/min
* Unwind: "Tab" flying splice
Drive: Siemens DC 6RA70 Series Digital Drives (Drives and PLC upgraded in 2003)
* Main drive: Siemens D.C. multi motor
* Debris Scavenging: Honeycomb Systems (France)
* Machine Control – Siemens S7-400 with MP270B Operator Interface
SECONDARY CUTTERS (TWO)
* Make: Jagenberg
* Model: Synvert 215
* Year of Manufacture: 1986
* Type: Simplex, double rotary
* Max trimmed width: 2150 mm
* Min slit width: 340 mm
* Sheet length: max 1800 mm, min 500 mm
* Max speed: 300 m/min
* Drive: Siemens DC Simoreg with SymadynD Drive Controls (Drives and PLC original install date in 1986)
* Make: Jagenberg
* Model: Synchro 235
* Year of Manufacture: 1988
* Type: Simplex, double rotary
* Max trimmed width: 2150 mm
* Min slit width: 340 mm
* Sheet length: max 1800 mm, min 500 mm
* Max speed: 350 m/min
* Drive: Siemens DC Multi Motor
Backstand – Pasaban with flying splice installed 1997 with GE Fanuc 90/70 Machine Control.
Machine Control – Siemens S5-150 and 135 with Siemens S5-526 Operator Interface
SHEET PACKING LINE
Make: MSK, Kleve, Germany.
Model – Shrink Ring – Natural Gas fired
Type – MSK Flow Tech Packing system. Com No. 376700
Year of install – Sept 2007
Pallet size range – 564mm to 1430mm
Machine Control via Siemens S7-400 series PLC with ASI Field I/O
Machine Drives ABB ACS350, 355 and 550
Operator Interface via EMSY MSK Proprietary System.
Cat 4 Allend Bradley Guardmaster Safety Relay System
Robot application of labels – type Motoman 5- Axis , 2 Handed Labeller, from RA Group, Melbourne
SELF GUIDED VEHICLES
Make: FMC, Chalfont, USA. (Now known as JBTC) Laser guided, lead-acid battery powered.
Model – FMCTI Counterbalanced roll Clamp vehicle (3 units)
Model – FMCTI Counterbalanced Fork vehicle (3 units) Capacity 3800 kg at 915 mm load centre, 6500 mm max height
Year of install – 2009
Units collect reels from Roll Wrapper
Units collect pallets from SheetPacking Line
Units stack product made ready for loading and Despatch.
2 Servers for Warehouse Managing System and SGV Control
SGV Manager and Inventory Manger software running on Dell servers (one operating, one backup)
Battery charging station (12 battery capacity)
GUILLOTINE
* Make: Wohlenberg
* Model: No.1 – MCS – relocated 2007
*No.2 MCS 3 – removed from service 2007
* Year of Manufacture: 1982 & 1983
* Width: 1800 mm
* Depth: 2000 mm
Machine Control – Siemens S7-200 PLC (Automation Upgrade in 2002)
* Ancillary equipment: semi auto loading and unloading by Bauman BA7 & BB7Q units
RECOVERED FIBRE AND EFFLUENT SYSTEM
* No.1 Clarifier 52 m diameter (volume = 9ML)
* No.2 Clarifier 30 m diameter (volume = 3ML)
4 Aeration ponds and 13 aerators 13 x 30 kW
Windmill driven compressor additional aeration in A1
No.1 and No.2 Clarifier underflows to Flottweg and Sulzer-Andritz sludge presses. Solids for composting.
WATER
Total of 17 Ml (million litres) used for processed water/day; 13 Ml of which is recycled. The remaining 3.5 Ml/day is fresh city water.
Recycling treatment Treatment with aeration and sand filtered through 7 pressure sand filters.
PULP MILL
Grade: Refiner mechanical pulp
Production: 50 t/d
Pulp Mill automation system change to ALCONT . Operation of the pulpmill is from the Slushing control room. No operators in the Pulpmill.
3x 900kW Raffinator 3.3kv Motor Starters upgraded in 2009.
Pulp Mill Operation:
Chip screening by Rotex Screen to remove oversize residual. Preheating to 85C in steaming vessel. Steam added at 345 kPa: retention time = 5 minutes. Chips transported by Prex screw which is airloaded ram pressure controlled at 400 kPa.This aids in removal of lignin.
Chips are no longer impregnated with chemicals in the impregnation vessel. but Chemical make-down system still in place. Retention time 5 10 minutes.
Raffinators
Sunds, Type RGP, 1963 :
No.1 900 mm, 895 kW, 1480 rpm
No.2 900 mm, 895 kW, 1480 rpm
No.3 900 mm, 522 kW, 985 rpm
Dewatering
Voith Thune SP32L Screw Presses x2 added. Fitted with Hansen gearboxes and 45kw drives
Filtrate systems re-arranged.
Chemicals
No Chemicals used (originally chips were impregnated with 1% sodium sulphite and 0.25% calgon and 0.25% sodium hydrosulphite). Chemical make-down system offline but still functional.
Storage (bulk / fluff)
Capacity to store approx. 800 tonnes
Usage
In Second liner of Artcote Grey, and in middle plies of Artcote White.
Transfer
In a front end loader or as slush stock.
Control System
Honeywell TotalPlant Alcont DCS – 2x Operator Modules, 1x Profibus Field Controller with Siemens
ET200M Field I/O. (Install date 2007)
Graphical Interface via 2 Graphical User Station. (Install Date 2010)
This is a stand alone system separate to the mill wide DCS system.
POWERHOUSE
Coal handling Plan
Live bottom hopper, 36” conveyor, 24” conveyor, coal tripper and coal bunkers
Average handling capacity – 250 tonnes per day
Total storage capacity – 500 tonne
Boiler 3 – Hudson and West. Installed and commissioned in 1980.
MCR – 27.2 tonne per hour @ 1000kPa saturated.
Fuel – Fine graded coal
Boiler 4 – NEI John Thompson. Installed and commissioned in 1990.
MCR – 52 tonne per hour @ 4200kPa superheated.
Fuel – Coarse graded coal
Boiler 5 – Presha. Early 1960 vintage. Controls upgraded in 2000.
MCR – 20.5 tonne per hour @ 1000kPa saturated
Fuel – Natural gas
Turbo-Alternator – Brown Boveri. 1950 vintage. Commissioned in 1957.
Capacity – 11kV, 7.5 MW
Demineralisation Plant – Permmutit
Capacity – 28 tonne per hour @ 0.1uS
Demineralisation plant- Alga.
Capacity 18 Tonne per hour @ 0.1 uS. Installed in 2006.
Ash Handling
2 of wet conveyors
2 of dry conveyors
3 of sluices
Ash Hopper and Bucket Elevator
Pump House
2 of Cooling Towers
Water Service pumps
Fire Pumps
Powerhouse Automation – Control system changed to Honeywell ALCONT during 2007/8 for one person operation.
POWERHOUSE CONTROL SYSTEM
Honeywell TotalPlant Alcont DCS – 2 Processor Modules (Install Date 1999), 1 Profibus Field Controller (Install Date 2007), Siemens ET200M Field I/O (Install Date 2007)
Operator Interface – 4x Honeywell Totalplant Alcont Graphical User Stations. (Install Date 2010)
MILL HIGH AND LOW VOLTAGE SYSTEMS
Main A1 11kV substation 19x 11kV Vacuum circuit breakers 800A – Installed 1994
D-Sub 11kV Substation 9x 11kV Vacuum circuit breakers 630A. Installed 2002
E-Sub 11kV Substation 8x 11kV Vacuum circuit breakers 630A. Installed 2001
C-Sub 11kV Substation 6x 11kV Vacuum circuit breakers 630A. Installed 2003
L-Sub 11kV Substation 5x 11kV Vacuum circuit breakers 630A. Installed 1992
4x E15-Sub 3.3kV Motor Starters Installed in 2001
4x E18-Sub 3.3kV Motor Starters Installed in 2001
3x F2-Sub 3.3kV Motor Starters Installed in 2005
27x LV Power Transformers - Varying Sizes and ages 500kVA 11kV/415V through to 3MVA 11kV/720V.
- 8x HV Power transformers - Varying Sizes and ages1MVA 11kV/3300V through to 2MVA 11kV/3300V.
PRODUCTS MADE
- Artcote Grey 350, 400, 450, 500, 575, 620, 700 um
- Artcote White 350, 400, 450, 500 um
- Starcote Laminating – 310 um
- Artcote Kraft - 350-400,450,500,650 um
- Unlined Box Board – 400 500 600 750 um
- Starcote Liner 260 um
- Coated Carrier Board - 450,500,600 um
- Uncoated Coreboard- T20, T30, T35
- White Liner186gsm
- Recycled Liner183gsm
- Average machine production – up to 21 tonnes per hour.
- Grammage range – 180 to 480 gsm